产品展示
TG23-S-06手转阀,stnc手转阀,索诺天工控制元件
首页 / 产品中心 / 转阀
产品标题:TG23-S-06手转阀,stnc手转阀,索诺天工控制元件
产品ID:VIB20120519165949734
品  牌:STNC索诺天工
所在地:中国 上海
价  格:面议 (大量采购价格面议)
库存状态:货期待查
更新日期:2025-4-24 3:39:06
咨询电话:(+86)021-51699285
咨询Q Q: 2695337323
产品简述

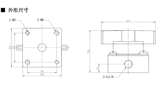
TG23-S-06二位三通转阀

产品详情


型号、项目
功能
接管螺纹
通径(mm)
使用流体
压力范围
动作方式
润滑
介质温度
TG23-S-06
二位三通
G1/8
φ2.8
空气
0~1.0MPa
直动式
不需要
-5~60℃