| 产品标题:G321R,天工STNC,机械阀 产品ID:VIB20090923180832734 品 牌:STNC索诺天工 所在地:中国 上海 价 格:面议 (大量采购价格面议) 库存状态:货期待查 更新日期:2025-3-19 12:47:01 咨询电话:(+86)021-51699285 咨询Q Q: 2695337323 |
200909/2009092309120520948.gif 公司已通过 ISO9001:2000国际质量体系认证、欧盟ROHS指令认证及CE认证、美国UL认证
公司不断引进国际先进生产技术与设备,现有厂房 20000平方米,各类设备515台,其中数控车床76台,加工中心6台,精密自动轴芯机2台以及电脑控制检测设备3台、超声波清洗机2台,确保了高精度、高效率、高品质生产。
订购代码![]() ■ 订购代码 ![]() | |||||||||||||||||||||
|
■ 技术参数
| |||||||||||||||||||||
|
| |||||||||||||||||||||
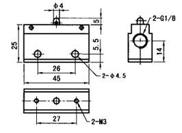
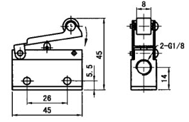
| ● G321
|
● G321R
| ||||||||||||||||||||
| ● PP按钮
|
● PPL按钮
| ||||||||||||||||||||
| ● PB按钮
|
● TB按钮
| ||||||||||||||||||||
| ● LB按钮
|
●EB按钮
| ||||||||||||||||||||
![]() | |||||||||||||||||||||
